
As with many Vitavox designs, the basics of the 15" cone driver have remained unchanged for many years - a mark of respect for the excellent engineers who created the foundation on which we still build. The design philosophy can be summarised in four words - efficiency, simplicity, accuracy and serviceability.
"Give me a lever and a firm place to stand, and I will move the world..."
Archimedes

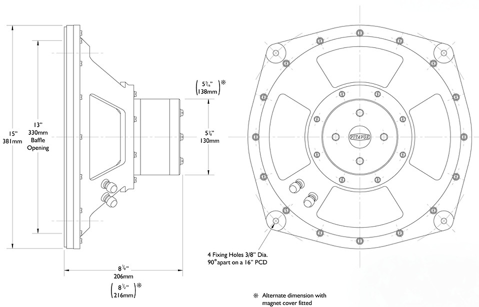
All our models are driven by a massive AlcomaxIII AlNiCo magnet assembly - precision machined with a feathered top plate to give, as near as possible, equal magnetic field above and below centreline in the magnetic gap. Perfect concentricity and alignment security is ensured by an aluminium locator.
Such a massive magnet requires - and gets - a very substantial chassis. The cast aluminium basket of the K Series driver is ultra-rigid, and able to transfer the thrust of the cone instantaneously. To paraphrase Archimedes, "Give me a lever and a firm place to stand, and I will move the world". It is easy to forget that the cone is driven by the coil, and the coil drives against the lines of force in the magnet gap, so there are no false economies in the chassis and the whole assembly is bonded and bolted together.
The Vitavox LGK Series goes further still. It is the fitting (and extraordinarily heavy!) culmination of the evolution of this glorious design. With a chassis cast in bronze, which has a mass three times that of aluminium, it offers the ultimate playback resolution. We're sure Archi' would approve!
The drivers are particularly well suited to horn applications; the cone's straight sided profile gives it the strength to withstand the pressures found in the throat of a bass horn yet the whole cone/coil assembly is very light, for sensitivity.
The economy in weight derives from the 57mm diameter voice coil, miniscule by modern standards, and from the comparatively small amount of wire used in the winding, a product of there being a reduced cone excursion in horn applications, and thus reduced need for a long coil in order for it to stay within the optimum magnetic field. As has been the case for many years, the voice coil is hand wound onto a former of fibreglass.
Vitavox VX-4 binding posts are fitted to ensure that every nuance of the input signal is properly transferred to the voice coil.
In all, elegant design and meticulous engineering, blended to perfection to make the most extraordinary music.








